宣布推出工业级高压超低静态电流降压转换器系列产品,仅10μA的超低静态电流,支持最高120V 耐压和最大5A 的连续电流。高耐压可显著减少外围电压尖峰抑制器件,降低方案体积和成本;超低静态功耗可大大延长电池包待机时间。该系列产品为机器人、通信电源、E-bike、电动工具、储能、BMS等应用场景提供了稳定可靠的高性能国产化替代方案

该系列产品均采用SOP8/ESOP8封装,引脚兼容主流国际大厂产品。无需PCB重新设计,可直接P2P替换并兼容原有方案,为国产替代提供便利性,有效降低研发成本投入。

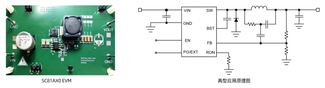
SOP8/ESOP8封装
对于高电压场景,即使较低的静态电流也能造成较大的功率损耗。尤其对于电池供电类设备,低功耗可大大降低电池自放电损耗,延长电池产品使用时间。新产品采用低功耗设计,将芯片的静态电流降低至10uA,可有效降低DCDC在轻载时的待机损耗,提高轻载效率。此外,SC81XXE系列产品提供EXT引脚用于芯片供电,通过将EXT脚连接至输出端或外部5~12V电源可进一步提高轻载能效。

待机电流对比
高效率低温升
电源转换效率低不仅造成电能浪费,缩短电池类应用续航,且产生的高温对于电子产品可靠性和寿命造成严峻挑战。南芯推出的系列产品,内置MOSFET阻抗远低于业内同规格产品,可有效提高DCDC重载效率,降低系统温升。

效率对比:VIN=72V,VO=12V
SC81A30的MOSEFT导通电阻仅有竞品的40%,同条件下实测温升低15.2℃。
(温升对比条件:TA=27℃, VIN=72V, VO=12V, IO=3.5A, 300kHz。)

快速瞬态响应
该系列采用COT恒定导通时间控制拓扑。外置RCC纹波注入电路可适应极宽的应用场景,保证DCDC工作稳定的前提下,提供最优的瞬态响应。相比传统峰值电流控制模式,可以实现快速瞬态响应。
VIN=48V,VO=12V,IO=1.5A to 3A in 1us,外围参数一致。

全方位故障保护
为确保工业系统的安全性和可靠性,该系列产品提供了完备的保护功能,包括输入欠压保护、逐周期峰值电流限制、具有自动降频和打嗝模式的短路保护以及过热关断保护。
该系列产品提供丰富的产品选型,用户可根据应用场景需求选择最合适的电压和电流产品,优化方案性价比。

南芯科技现已建立起涵盖通用 DC-DC、电荷泵 DC-DC 和负载开关在内的完整 DC-DC 产品家族。该系列产品的 120V 耐压能力可支持广泛的工业应用,同时可实现低静态电流和持续高负载电流,进一步拓宽了南芯电源芯片的使用场景。目前,该产品已在多个客户端开展送样验证